炒股配资股票与炒股配资网新人配资开户-通达信人气排名在哪里看-【东方资本】,买股票杠杆风险大吗为什么,网上做股票配资是骗局吗,正规杠杆平台爱企查能查到吗

今天是2025年8月29日 星期五,歡迎光臨本站 

稱重模塊

BCMK-L

文字:[大][中][小] 手機頁面二維碼 2021/12/3     瀏覽次數:    

BCMK-L型 懸臂式稱重模塊

特點及用途:

高精度、高可靠性、抗偏載力。

適用于電子地中衡、料倉秤、軌道衡、平臺秤、汽車衡等物量測量與控制等場所。


技術參數:

量程

50100200500kg

1t2t3t5t

輸入阻抗

385 ± 35 Ω

靈敏度

2.0 ± 01 mv/V

輸出阻抗

300 ± 3 Ω

綜合精度

005 %F·S

絕緣阻抗

≥ 2000 MΩ

蠕變

±003 %F·S/30min

激勵電壓

5 12 VDC

非線性

±003 %F·S

工作溫度范圍

-20 ~ ﹢70℃

滯后誤差

±003 %F·S

允許過負荷

120 %F·S

重復性誤差

±003 %F·S

密封等級

IP66

零點溫度系數

±002 %F·S/10

材質

合金鋼

輸出溫度系數

±002 %F·S/10

線纜

φ5 × 2000 mm


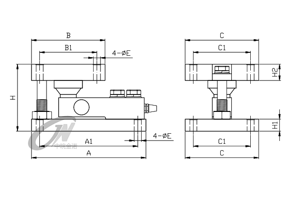
產品尺寸:

量程(t

A

A1

B

B1

C

C1

H

H1

H2

ΦE

0.2 2

178

153

115

90

115

90

110

19

24

11


260

220

175

135

150

115

145

35

30

18

7.5 10

300

250

185

135

155

115

160

40

35

22 BCMK-LBCMK-L

返回上一步
打印此頁
173-5529-0970
瀏覽手機站