炒股配资股票与炒股配资网新人配资开户-通达信人气排名在哪里看-【东方资本】,买股票杠杆风险大吗为什么,网上做股票配资是骗局吗,正规杠杆平台爱企查能查到吗

今天是2025年8月29日 星期五,歡迎光臨本站 

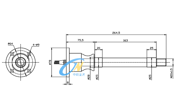
輪組式張力傳感器

BCHL-L2

文字:[大][中][小] 手機頁面二維碼 2021/12/3     瀏覽次數:    

BCHL-L2型 單滑輪張力傳感器

特點及用途:

安裝方便、可加軸承、可內置變送器。

大量應用在紡織、機械行業的細線、布帶張力(拉力)監測等控制系統中。


技術參數:

量程

102050100200500 N

100015002000 N

輸入阻抗

385 ± 35 Ω

靈敏度

1.5 ± 01 mv/V

輸出阻抗

350 ±Ω

綜合精度

0.05 %F·S

絕緣阻抗

2000 MΩ

蠕變

±003 %F·S/30min

激勵電壓

5 12 VDC

非線性

±0.03 %F·S

工作溫度范圍

-20 ~ ﹢70

滯后誤差

±003 %F·S

允許過負荷

120 %F·S

重復性誤差

±003 %F·S

密封等級

IP66

零點溫度系數

±002 %F·S/10

材質

不銹鋼

輸出溫度系數

±002 %F·S/10

線纜

φ5 × 2000 mm

擴展

可內置變送器,輸出模擬信號0-5V4-20mA或者數字接口RS485/RS232


產品尺寸:




返回上一步
打印此頁
173-5529-0970
瀏覽手機站