靜態扭矩傳感器
BCNT-F型 雙法蘭靜態扭矩傳感器

特點及用途:
高精度、高穩定性、抗干擾。
適用于適用于靜態、非連續旋轉的扭矩力值測量。
技術參數:
|
量程 |
200、500、1000、2000 Nm 5000、10000、20000 Nm |
輸入阻抗 |
735 ± 35 Ω |
|
靈敏度 |
1.5 ± 0.1 mv/V |
輸出阻抗 |
700 ± 3 Ω |
|
綜合精度 |
0.1 %F·S |
絕緣阻抗 |
≥ 2000 MΩ |
|
蠕變 |
±0.05 %F·S/30min |
激勵電壓 |
5 ~ 12 VDC |
|
非線性 |
±0.05 %F·S |
工作溫度范圍 |
-20 ~ ﹢70℃ |
|
滯后誤差 |
±0.05 %F·S |
允許過負荷 |
120 %F·S |
|
重復性誤差 |
±0.05%F·S |
密封等級 |
IP66 |
|
零點溫度系數 |
±0.02 %F·S/10℃ |
材質 |
合金鋼 |
|
輸出溫度系數 |
±0.02 %F·S/10℃ |
線纜 |
φ5 × 2000 mm |
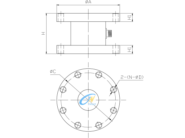
產品尺寸:
|
量程 |
A |
H |
H1 |
C |
N |
D |
|
5~200 Nm |
59 |
61 |
10 |
45 |
4 |
6.5 |
|
300 ~ 1000 Nm |
98 |
80 |
15 |
80 |
8 |
8.5 |
|
2000 ~ 5000 Nm |
125 |
95 |
20 |
105 |
12 |
10.5 |
|
10000、20000 Nm |
255 |
124 |
32 |
210 |
8 |
20.5 |





